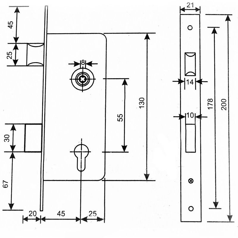
Это отличный врезной замок украинского производства. Хорошая покраска ручек, корпус замка сделан без силумина, такой замок будет хорошо работать верой и правдой долгие годы. Купить замок Арико ЗВ4-у можно для деревянных или не тяжелых металлических дверей, калиток
Врезной замок Арико ЗВ4-У комплектуется:
Замок Арико ЗВ4-У - 1 штук
Ручки для замка: 2 шт.
Цвет ручек : коричневый или серый (уточняйте наличие)
Стяжные винты для ручек . Подойдут для дверей толщиной до 50 мм. Если ваши двери толще необходимо купить винты м4 с широкой шляпкой.
Квадрат : 100*8*8 мм











